Tarcza Sprzęgła Sprężarki Denso SCSA06/SCSB06 Toyota Fiat | ET004

Tarcza Sprzęgła Sprężarki Denso SCSA06/SCSB06 Toyota Fiat | ET004

93,10 zł
75,69 zł Netto

Najniższa cena w ciągu ostatnich 30 dni: 93,10 zł z dnia 10.03.2026

Najniższa cena w ciągu ostatnich 30 dni

Ilość
Ostatnie sztuki w magazynie

Tarcza sprzęgła dedykowana do sprężarek DENSO typu SCSA06 i SCSB06, stosowanych w pojazdach marek Fiat i Toyota. Produkt wykonany z wysokiej jakości materiałów, zapewniający niezawodną pracę układu klimatyzacji.

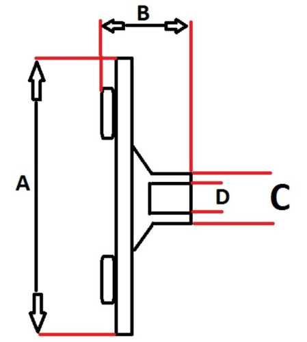
Dane techniczne:

  • Typ kompresora: SCSA06 / SCSB06

  • Średnica zewnętrzna (A): 94 mm

  • Wysokość tarczy (B): 23 mm

  • Średnica otworu mocowania (C): 8 mm

  • Głębokość osadzenia wałka (D): 16 mm

  • Rodzaj mocowania: Gwint

Zastosowanie:
Fiat, Toyota – modele wyposażone w sprężarki DENSO SCSA06 lub SCSB06

A.SP.TS.DO.004
1 szt.

Brak recenzji użytkowników.

expand_less