Tarcza Sprzęgła Sprężarki Sanden SD7H15/SD7H13/SD7V12/SD7V16 | ET026

Tarcza Sprzęgła Sprężarki Sanden SD7H15/SD7H13/SD7V12/SD7V16 | ET026

70,00 zł
56,91 zł Netto

Najniższa cena w ciągu ostatnich 30 dni: 70,00 zł z dnia 22.04.2026

Najniższa cena w ciągu ostatnich 30 dni

Ilość

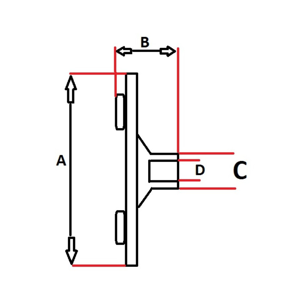
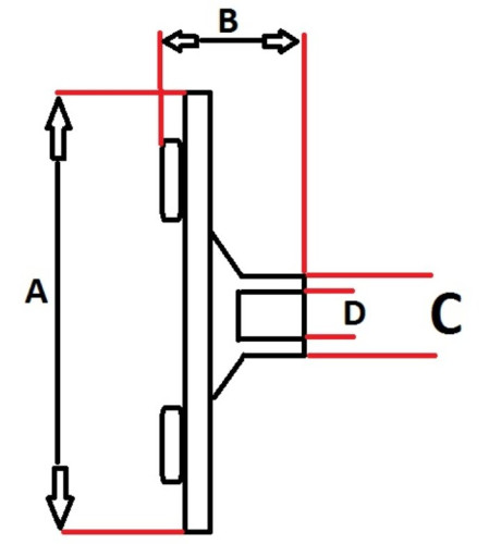
Tarcza sprzęgła pasująca do kompresorów Sanden z serii SD7H15, SD7H13, SD7V12 oraz SD7V16. Dzięki uniwersalnej konstrukcji i wielorowkowemu mocowaniu znajduje zastosowanie w szerokiej gamie modeli AUDI, SEAT, SKODA, VOLKSWAGEN oraz kompresorach Sanden oznaczonych m.in. 1226, 4255, 1215, 1278 i innych. Produkt stanowi zamiennik oryginalnych tarcz w wielu pojazdach.

Dane techniczne:
A – Średnica zewnętrzna: 105 mm
B – Wysokość tarczy: 25 mm
C – Średnica otworu mocowania: 11 mm
D – Głębokość osadzenia wałka: 14 mm
Rodzaj mocowania: Wielorowek

Zastosowanie:
Kompresory Sanden: SD7H15, SD7H13, SD7V12, SD7V16
Marki: AUDI, SEAT, SKODA, VOLKSWAGEN
Typowe numery części OE i referencyjne:


7M0820803R,7M3820803,7M3820803A,1J0820803A,1J0820805, 1J0820803B,7M3820803C,1J0820805,1211741,7H0820803F, 1J0820803N,1J0820803NX,1J0820803F,1J0820803K,YM2H19D629BB, 1J0820803G,1J0820803L,YM2H-19D629-BB,7M0820803R, 1J0820803A,1J0820803LX,7H0820803C,1111419,1J0820803 J, 7M3820803A,7M3820803B,YM2H19D629BA,1J0820803, 1J0820803B,1J0820803J,YM2H19D629DA,7M3820803,1J0820803F, 1J0820803G,1J0820803J,1J0820803K,1J0820803KX,1J0820803L, 1J0820803LX,8208031J0B,YM2H19D629BA,YM2H19G629BB, 7700866491,7700866491D,1J0820803F,1J0820803K,7M0820803R, 7M3820803,7M3820803A,1J0820803A,1J0820805,1J0820803B, 1J0820803G,1J0820803J,1J0820803KX,1J0820803L,1J0820803LX, 8208031J0B,YM2H19D629BA,YM2H19G629BB,8FK 351 127-381, 51-0008,8646002

A.SP.TS.SN.026
4 szt.

Brak recenzji użytkowników.

expand_less